반응형
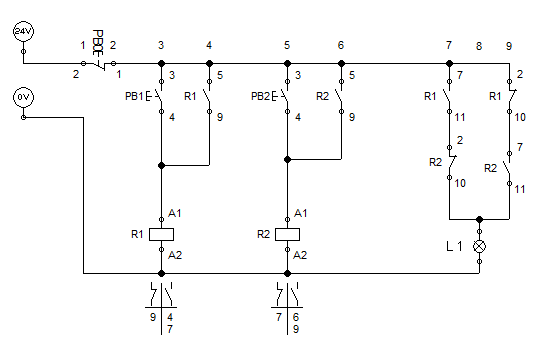
반일치 회로란 두 입력 신호가 서로 다른 상태에 있을 때 출력신호가 1이되는 회로를 말하며,
베타적 OR 회(EX-OR)라고도 한다. XOR 이라고도 한다.

1. 동작 사항
1) 전원 투입시 L1 소등 상태
2) X1 또는 X2 입력시 L1 점등
3) X1,X2 둘다 입력시 L1 소등
4) PB0 누를시 초기 상태로 전환

2. 동작설명
1) 전원 인가시 PB1, PB2 버튼을 누르지 않았기에 R1,R2가 ON되지 않아 L1 OFF
2) PB1을 누를경우 R1릴레이가 ON되며 자기유지, R1의 A접점이 ON 되어 회로 연결되어 L1 ON
3) PB2를 누를경우 두개의 릴레이 모두 ON되어 R1,R2의 서로의 접점이 상반되어 L1 OFF
4) PB0 누를경우 전원이 차단되며 R1,R2 자기유지 해제 되며 L1 OFF
동영상을 통해 동작 확인 해보세요~
반응형
'시퀀스 제어' 카테고리의 다른 글
| 10. 시퀀스 제어_신호등 회로 (플리커 회로) (0) | 2020.11.14 |
|---|---|
| 8. 시퀀스 제어_일치회로(EX-NOR) (0) | 2020.11.14 |
| 7. 시퀀스 제어_논리합 부정 회로(NOR) (0) | 2020.11.11 |
| 6. 시퀀스 제어_논리곱 부정 회로(NAND) (0) | 2020.11.09 |
| 5. 시퀀스 제어_부정 회로(NOT) (0) | 2020.11.09 |